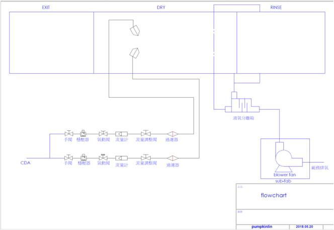
雙風刀改造實績 改造項目 : 雙風刀改造本公司提供專業風刀機台改造服務,針對因Blower Fan風壓不足,導致產品異常的問題,將風刀升級為雙風刀,並改採廠務CDA供應,提升穩定性與效率。同時提供完整的電路設計與安裝,以及精密的機構設計與安裝,確保機台運作可靠,協助客戶提升良率與產能。 檔案下載 回上一頁